Кран шаровой

Оставить заявку

Назначение

Применяется в качестве запорной арматуры при монтаже трубопроводов.

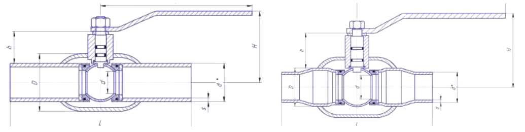
Параметры крана шарового

dy d,мм d* S,мм D,мм Н,мм L,мм Масса, кг
С/П П/П С/П П/П С/П П/П С/П П/П С/П П/П С/П П/П
25 18 24 32 3 3 48 38 75 75 230 230 1,1 1,5
32 24 30 38 3,5 3,5 57 48 75 92 230 250 1,5 2
40 30 40 48 3,5 3,5 60 57 92 100 250 270 2 2,6
50 40 49 57 3,5 4 76 76 100 110 270 280 2,6 3,4
65 49 64 76 4 4 89 89 110 141 280 280 3,4 5,3
80 63 75 89 4 5 114 108 141 150 280 300 5,3 6,7
100 75 100 108 5 6 133 133 150 195 300 330 6,7 15,3
125 100 125 133 6 6 180 159 195 210 330 360 15,3 20,6
150 125 148 159 6 6 219 180 210 225 360 390 20,6 29,6
200 148 200 219 8 8 273 245 225 270 430 510 36 53
250 200 248 273 8 8 351 325 270 634* 510 730 54 120*
300 240 300 325 8 8 426 377 634* 690* 730 730 120* 230*
350 300 377 10 530 690* 730 230*
400 300 390 426 10 10 530 426 690* 870* 860 970 290* 450*
500 390 500 530 10 10 630 820 870* 970* 970 991 450* 700*
600 500 600 630 10 10 820 1020 970* 1065* 1143 1143 740* 935*

ПРИМЕЧАНИЕ:

 

Техническая информация и внешний вид кранов шаровых приведены для изделий марки LD и взяты с сайта производителя.

Краны шаровые, параметры которых помечены *, поставляются в комплекте с редуктором.

Высота Н крана шарового, помеченная *, указана с учетом высоты редуктора; значение массы, помеченное *, указано с учетом массы редуктора.

ПРИМЕРЫ УСЛОВНОГО ОБОЗНАЧЕНИЯ ДЛЯ ЗАКАЗНОЙ СПЕЦИФИКАЦИИ.

Кран шаровой с условным проходом DN50 условное давление PN40 приварного присоединения полнопроходной марки LD:

КШЦП Еnergy 050.040.П/П

Все изделия

Комплектующие изделия и материалы

Другие виды ПИ-труб Все ПИ-трубы

Мы производим и продаем ГПИ-трубы и ПИ-трубы для тепловых сетей коммунального и энергетического комплексов.
Мы работаем с понедельника по пятницу с 8:00 до 20:00.

Вы также можете заказать обратный звонок, мы сами вам перезвоним.

Заказать обратный звонок

Закажите обратный звонок и мы обязательно перезвоним Вам в кратчайшие сроки.

Сертификаты

Схема проезда